John Siegenthaler: A simple way to set up lead/lag heat sources
Who’s on first?



I’m fortunate to be living next door to a very unique hydronic heating/cooling system.
It’s in a new home built by my daughter and son-in-law, and it’s a one-minute walk down the road from where I live. The home has a “wish list” of contemporary energy systems, including well-insulated thermal envelope, passive solar orientation, a 7.8-KW solar PV system, a geothermal water-to-water heat pump and a low-ambient air-to-water heat pump. My daughter would probably tell you there are other nice things about the house, such as kitchen cabinets built by local Amish, and lots of closet space, but for me, the energy systems are the preeminent features.
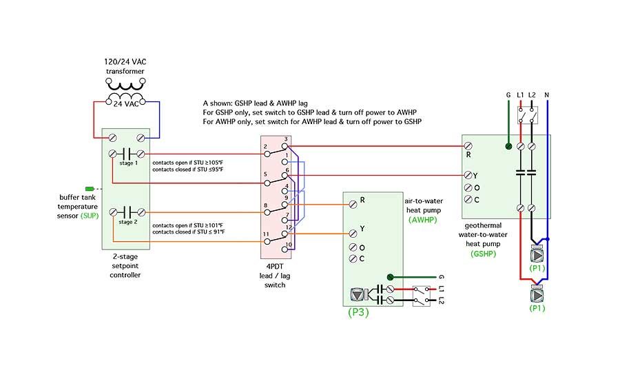
The two heat pumps supply seven small-capacity zones of low-temperature radiant floor panels and panel radiators. Some of those zones are a single-panel radiator with a thermostatic radiator valve. Others are floor-heating circuits. All the zones are supplied from a 119-gallon buffer tank to prevent short cycling. The two heat pumps are piped in parallel to this buffer tank as shown in Figure 1.
Initial operation of the system shows that the house remains very comfortable at near 0º F outdoor temperatures using supply water temperatures ranging from 95 to 105º.
Both heat pumps have a nominal output of 4 tons (48,000 Btu/h). Their exact heating capacity depends on the source temperature (loop inlet temperature for the geothermal water-to-water heat pump, and outdoor air temperature for the air-to-water heat pump). It also depends on the temperature of the water entering the condenser of each heat pump. The lower this temperature is the higher the heat pump’s coefficient of performance (COP).
There will be times when one of these heat pumps has favorable operating conditions relative to the other. One example would be a cold, early December night. The outdoor temperature might be in single digits ºF, but the earth loop entering temperature could be in the mid-50º range. Under those conditions, the geothermal heat pump would have the highest COP.
However, on a late March day, the outside air temperature might be in the low 40s, while the entering earth loop temperature, after a long winter of operation, could be in the low 30s. Those conditions would likely result in the air-source heat pump having the higher COP.
The house has a design heating load of about 36,000 Btu/h. Rarely would it need both heat pumps operating. The one exception being a transient condition where the garage floor heating circuits are turned on after the garage has been without heat for several cold winter days. The cold, concrete slab can absorb heat from the circulating antifreeze solution at 3 to 4 times its normal rate. This is evidenced by a very wide temperature change between the fluid entering and leaving the garage floor-heating circuits. Under this condition, it would be nice to have heat input from both heat pumps.
Given these possibilities, it makes sense to stage the two heat inputs. When the buffer tank drops to some setpoint temperature, one of the heat pumps turns on to put heat back in the tank. If that heat input is sufficient to maintain the tank within its normal “working temperature range,” there’s no need for the second heat source to operate. However, if the tank temperature continues to drop, it’s time to bring on heat pump No. 2.
This is a classic “lead / lag” control scenario, which can be handled several ways:
- Use an independent setpoint and differential for each heat pump.
- Use a 2-stage controller with PID logic and a single fixed setpoint temperature for the buffer tank.
- Use a 2-stage outdoor reset controller with PID logic and outdoor temperature sensing to determine if one or both heat pumps are on, and to what temperature the buffer tank needs to be heated.
To minimize short duration startups on the second-stage heat pump, I elected to use a simple setpoint and differential for each heat pump. The current settings are as follows: When the temperature in the upper portion of the buffer tank drops to 95º, the lead heat source is turned on. It continues to operate until the upper buffer tank temperature reaches 105º (e.g., a 10º differential centered on the setpoint). If the buffer tank temperature drops to 91º, the “lag” heat source also turns on. It continues to run until the buffer tank reaches 101º (e.g., also 10º differential centered on the setpoint 4º below the lead setpoint). These setting are admittedly a “starting point” for initial system operation. Either of the setpoints or differentials can be easily changed as experience is gained with the system.
Making the switch
Now that the lead/lag control logic is established, its necessary to make the electrical connections to each heat source that determines which will lead and which will follow.
Some 2-stage controllers that are designed for staged boilers can automatically change the order in which each stage operates based on accumulated run hours. It’s a good control strategy when both heat sources are identical, and the sole objective is to achieve about equal run hours over a several months of operation.
However, this “boiler rotation” strategy doesn’t take into account situations where one heat source has favorable operation conditions relative to the other. That decision can be made manually, based on forecast information and knowledge of each heat source. It could also be made automatically based on a sophisticated performance model for each heat pump combined with current and projected operating conditions. The latter is possible, but would likely require custom software coding, perhaps on a dedicated microcomputer such as a Raspberry Pi or Arduino. An interesting project for a future to-do list.
Fortunately, the actual electrical hardware required for switching the lead and lag heat sources is pretty simple. It requires a four-pole double throw (4PDT) switch (for manual switching) or a four-pole double throw (4PDT) relay (for automated switching). Both are readily available and relatively inexpensive.
Figure 2 shows how a 4PDT manually operated switch is wired in combination with two normally open controller contacts, each of which closes to “call” for operation of its paired heat source.
This switch, or an equivalent 4PDT relay, allows the low-voltage control circuit from each heat pump to be matched with the appropriate stage 1 or stage 2 contacts in the setpoint controller. Both electrical circuits are fully isolated from each other, and both are isolated from the 24-VAC transformer powering the setpoint controller. The “R” terminal in each heat pump represents one side of a 24-VAC circuit. The “Y” terminal in each heat pump is the terminal that must receive 24 VAC to turn the heat pump and its associated circulator on in heating mode. Be aware that some heat pumps may use different designations for these terminals.
Squinting Alternative
A 4PDT switch or 4PDT relay socket has 12 terminals. Each terminal has an embossed number. These numbers are usually very small are hard to see once the switch or relay socket is mounted inside an electrical enclosure panel in a marginally illuminated mechanical room.
My suggestion is to run a 10-inch wire pigtail to each terminal on the switch before it’s mounted in the electrical enclosure. Label each pigtail with the corresponding switch terminal number. This makes it much easier to make the right connections once you’re staring at a cabinet full of wires. It’s also much easier to attach the wires to screw terminals or quick-connect terminals before the switch is mounted. Be careful that all the pigtails are isolated to their associated terminals and can’t short to other terminals. Using insulated spade terminals or quick connects helps in this regard.
The circuitry shown in Figure 2 is just for heating mode operation. In the system we installed, this was the only mode in which both heat pumps could operate. We chose to make the geothermal heat pump the only chiller, at least for now. The reasoning: The geothermal heat pump is equipped with a desuperheater for “free” domestic water heating when the system is operating in cooling mode.
It’s also likely that the earth loop temperatures in our upstate New York location will be significantly lower than the outdoor air temperatures when cooling is needed. This allows the geothermal heat pump to operate at a higher energy efficiency ratio (EER) and thus requires lower electrical input for a given cooling load.
In other circumstances, it would be possible to use a 2-stage control strategy for producing chilled water with each heat pump. In such a case, I suggest using a separate 4PDT lead/lag switch wired to the two staging contacts on the cooling controller. Also be sure the wiring at each heat pump is such that the compressor and reversing valve are energized in cooling mode. This will likely require a relay at each heat pump as depicted in Figure 3.
The DPST relay at each heat pump allows the Y and O terminals to receive 24 VAC from the “R” terminal upon a call for cooling. This relay is necessary to prevent the reversing valve from energizing in heating mode.
I’m sure there are several other ways in which these two heat pumps could be controlled. Custom coding of a microcomputer, perhaps with in-formation on current and predicted weather downloaded from the Internet, might be one option. Custom code for a building automation system would be another. Still, given the nature of this system, I opted for simplicity. There’s not much that can go wrong with an occasionally operated industrial-quality toggle switch.
Looking for a reprint of this article?
From high-res PDFs to custom plaques, order your copy today!








